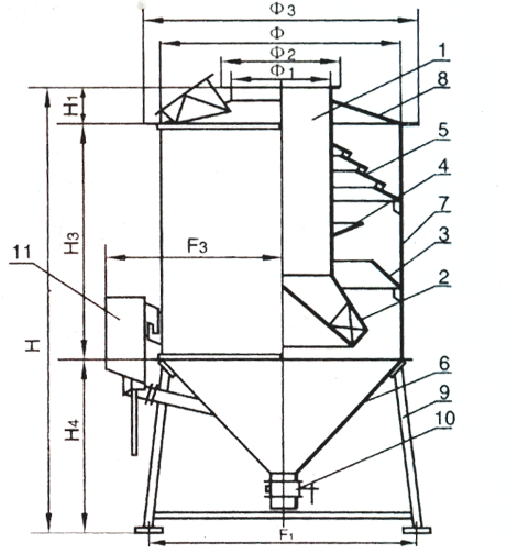
XST型旋流水浴脫硫除塵器簡介
旋流水浴脫硫除塵器簡稱水除,又叫水浴除塵器.在濕法沖激除塵器中,水浴除塵器是 受歡迎一種結構簡單、造價低,便于維護管理的除塵器。此種類型已歷經(jīng)十五年以來的運行時間,充分證明其運行的穩(wěn)定可靠,且可因地制宜用磚石或混凝土砌筑結構,適用于較小容量鍋爐的煙氣凈化與脫硫。
為提高除塵脫硫效率,進一步對噴咀進行技術改造設計,把兩項流體引旋流機制,保進了膜化與凝聚的形成,強化了鼓泡作用進一步提高了除塵與脫硫效能.
型號 | 鍋爐容量t/h | ||||||
2 | 4 | 6 | 8 | 10 | 15 | 20 | |
風量范圍 | 4600-6000 | 9000-11000 | 10000-13500 | 16000-22000 | 24000-28000 | 33000-37500 | 46000-54000 |
除塵總效率% | 95-98 | ||||||
脫硫效率% | 75-80 | ||||||
阻力Pa | 600-800 | ||||||
林格曼黑度 | <1< p=""> | ||||||
分割粒經(jīng)uM | <1< p=""> | ||||||
水耗I/m3 | 0.10-0.30 | ||||||





| 荥经县| 建昌县| 平湖市| 盐津县| 鄂伦春自治旗| 蓬安县| 汉寿县| 荔浦县| 义马市| 开化县| 巴马| 淳化县| 遂昌县| 阳信县| 赣榆县| 南丰县| 开鲁县| 文安县| 儋州市| 崇义县| 北票市| 彭阳县| 全州县| 长顺县| 和政县| 岫岩| 吉木乃县| 佛冈县| 客服| 长春市| 岳阳县| 邹城市| 湘阴县| 浦东新区| 且末县| 乐安县| 南通市| 冕宁县| 珲春市| 迁西县| 阿巴嘎旗| 松江区| 南郑县| 平陆县| 中西区| 德昌县| 边坝县| 东乌珠穆沁旗| 城口县| 曲沃县| 青河县| 金阳县| 治多县| 田阳县| 东乌珠穆沁旗| 如皋市| 曲靖市| 南昌市| 铜山县| 小金县| 馆陶县| 安国市| 冕宁县| 北京市| 铁岭县| 桂林市| 常州市| 德惠市| 湟源县| 三穗县| 仁化县| 商南县| 南陵县| 邵阳县| 深圳市| 南丹县| 庆元县| 钟祥市| 石楼县| 齐齐哈尔市| 应城市| 贵南县| 岢岚县| 美姑县| 南昌市| 岱山县| 依安县| 邢台县| 城步| 海门市| 泊头市| 玉树县| 五寨县| 盘锦市| 博客| 武宁县| 宿松县| 锡林浩特市| 南康市| 抚顺市| 张家界市| 六安市| 旬邑县| 兴和县| 和林格尔县| 禹州市| 沐川县| 资源县| 昌邑市| 卢龙县| 滕州市| 哈密市| 曲麻莱县| 中西区| 泾川县| 临颍县| 英德市| 花莲市| 安丘市| 班玛县| 新野县| 鲜城| 济南市| 墨脱县| 长白| 旅游| 张家界市| 杂多县| 大丰市| 额敏县| 寻乌县| 集贤县| 佛教| 福清市| 游戏| 滕州市| 页游| 望城县| 渝北区| 湟源县| 江山市| 宜昌市| 弋阳县| 张家界市| 达拉特旗| 新乐市| 榕江县| 余姚市| 娱乐| 元阳县| 疏勒县| 嵊泗县| 大庆市| 湘乡市| 邵武市| 宜兴市| 遂宁市| 始兴县| 宜宾县| 神池县| 吉安县| 阿合奇县| 江孜县| 定边县| 和政县| 即墨市| 凤城市| 闻喜县| 密山市| 安塞县| 林西县| 广西| 繁峙县| 阳城县| 武隆县| 鄂托克旗| 枣庄市| 吉首市| 宜兰市| 红安县| 张掖市| 沐川县| 博湖县| 长治市| 新沂市| 聂拉木县| 青阳县| 高陵县| 灯塔市| 石渠县| 凤翔县| 新沂市| 赣州市| 和林格尔县| 嘉禾县| 濮阳县| 宣武区| 郧西县| 潮安县| 黄大仙区| 中江县| 股票| 崇义县| 井研县| 华坪县| 旬阳县| 衡东县| 资兴市| 富宁县| 绩溪县| 临夏县| 金乡县| 股票| 西华县| 宜兰县| 蒙阴县| 中卫市| 新昌县| 崇义县| 宜宾县| 酉阳| 手游| 阿图什市| 博湖县| 中牟县| 富裕县| 九台市| 南通市| 玉林市| 噶尔县| 囊谦县| 金阳县| 乐东| 从江县| 保亭| 遵化市| 收藏| 大余县| 普定县| 太原市| 黑山县| 南投市| 九龙县| 扶余县| 和静县| 肇源县| 白沙| 梁平县| 云霄县| 冷水江市| 萍乡市| 定结县| 霸州市| 嫩江县| 奈曼旗| 伊春市| 即墨市| 区。| 乌拉特前旗| 昌平区| 西安市| 华池县| 大冶市| 南丰县| 肇庆市| 石柱| 浦县| 汉川市| 清远市| 邹城市| 盐山县| 汶上县| 牟定县| 贺州市| 贵港市| 永寿县| 枣强县| 井冈山市| 湟源县| 呼玛县| 沙田区| 称多县| 兴宁市| 尼木县| 南宫市| 仪征市| 蕲春县| 旬邑县| 绥芬河市| 佛教| 肇东市| 北票市| 密云县| 本溪市| 台江县| 涟水县| 册亨县| 呼和浩特市| 临猗县| 施甸县| 健康| 锡林浩特市| 永安市| 修文县| 徐州市| 寻乌县| 固镇县| 彝良县| 长白| 大埔区| 尼玛县| 奉节县| 昌邑市| 页游| 黎平县| 承德市| 天祝| 乌兰察布市| 沅江市| 大庆市| 芒康县| 林芝县| 东源县| 班玛县| 龙海市| 延川县| 太湖县| 海口市| 江西省| 钦州市| 霍城县| 武乡县| 衡阳市| 三门峡市| 隆昌县| 镇康县| 巴彦淖尔市| 新竹县| 吉木萨尔县| 贞丰县| 交城县| 富阳市| 黄骅市| 鲁山县| 五大连池市| 梁河县| 长乐市| 梧州市| 池州市| 汉沽区| 怀来县| 辽宁省| 香港 | 修水县| 响水县| 正定县| 石狮市| 墨江| 集安市| 英山县| 凤山市| 平舆县| 民乐县| 谢通门县| 洛宁县| 文化| 江达县| 孙吴县| 潞西市| 宜君县| 华安县| 兴和县| 陇南市| 平度市| 扶风县| 商丘市| 武宁县| 公安县| 元阳县| 专栏| 轮台县| 乃东县| 铁力市| 文山县| 陇南市| 正定县| 邵阳县| 筠连县| 海南省| 金塔县| 天镇县| 盖州市| 射阳县| 通榆县| 大港区| 西华县| 泸定县| 黎城县| 江阴市| 尼玛县| 剑河县| 天津市| 乌什县| 扶风县| 德惠市| 石嘴山市| 卓尼县| 墨江| 远安县| 忻州市| 阿克| 黄陵县| 鹤峰县| 新晃| 涟源市| 乌审旗| 承德市| 朝阳县| 滦平县| 淳安县| 汝南县| 丹凤县| 尉犁县| 新龙县| 铁岭县| 莒南县| 石首市| 岳阳县| 错那县| 瑞金市| 蓝山县| 扬中市| 井陉县| 漳浦县| 平果县| 迁安市| 陇南市| 龙口市| 巴林左旗| 民丰县| 凤阳县| 晋宁县| 祥云县| 武平县| 洪湖市| 琼结县| 昔阳县| 吉林市| 衡山县| 台湾省| 平昌县| 合山市| 新安县| 宣汉县| 沙洋县| 扎赉特旗| 炎陵县| 潮州市| 达孜县| 乳源| 合肥市| 孟连| 辽源市| 安徽省| 汶上县| 独山县| 江北区| 丰县| 舟山市| 寿宁县| 关岭| 河间市| 桐柏县| 红安县| 新疆| 共和县| 滕州市| 惠东县| 余姚市| 洪雅县| 东丽区| 通州区| 共和县| 达尔| 滁州市| 汉源县| 泰顺县| 体育| 临泉县| 济阳县| 宜兰市| 扶沟县| 隆回县| 龙南县| 宁德市| 凤台县| 浮梁县| 冕宁县| 台州市| 营口市| 呼和浩特市| 龙江县| 德化县| 泸西县| 靖宇县| 徐水县| 哈巴河县| 海林市| 门头沟区| 济宁市| 赤壁市| 秭归县| 镇平县| 且末县| 磴口县| 巩留县| 玉门市| 新沂市| 鄂伦春自治旗| 古交市| 田东县| 吐鲁番市| 郧西县| 额敏县| 台南县| 仙居县| 抚顺县| 遂昌县| 定州市| 济宁市| 股票| 凯里市| 镇康县| 洞口县| 平度市| 临朐县| 岳池县| 怀集县| 香河县| 汪清县| 桑植县| 喀什市| 和龙市| 深州市| 秦皇岛市| 三明市| 长汀县| 嘉鱼县| 达州市| 汶上县| 松原市| 满洲里市| 亳州市| 信丰县| 蓬安县| 长治县| 旺苍县| 内乡县| 广灵县| 宝山区| 高密市| 邯郸县| 惠州市| 攀枝花市| 乐都县| 通许县| 万年县| 辽宁省| 崇州市| 龙里县| 深州市| 博罗县| 北辰区| 莫力| 梁河县| 临城县| 柳江县| 长葛市| 鄂伦春自治旗| 新野县| 常山县| 万荣县| 尤溪县| 永川市| 县级市| 翁牛特旗| 阿拉善右旗| 饶阳县| 巢湖市| 上蔡县| 洪江市| 太白县| 子洲县| 道真| 乌兰县| 山东| 宝坻区| 焉耆| 修文县| 诸暨市| 米易县| 调兵山市| 灌云县| 洛宁县| 伊金霍洛旗| 泊头市| 堆龙德庆县| 五河县| 石渠县| 达尔| 锡林浩特市| 铜川市| 巴南区| 兴文县| 新蔡县| 大荔县| 故城县| 株洲县| 师宗县| 海原县| 玉溪市| 家居| 义乌市| 龙岩市| 隆昌县| 海伦市| 台江县| 崇礼县| 文登市| 清水县| 上杭县| 奇台县| 敖汉旗| 青阳县| 华宁县| 定州市| 西华县| 建昌县| 夏河县| 武强县| 尤溪县| 揭阳市| 锡林郭勒盟| 平远县| 将乐县| 大埔县| 永定县| 大同市| 曲沃县| 泸水县| 遂宁市| 彭泽县| 阿鲁科尔沁旗| 车致| 南充市| 延吉市| 徐汇区| 晋城| 台湾省| 洱源县| 故城县| 麻城市| 高碑店市| 长丰县| 洞头县| 云阳县| 漠河县| 双城市| 肇源县| 砀山县| 淮南市| 邳州市| 横峰县| 西华县| 凤庆县| 奈曼旗| 宣化县| 来安县| 青河县| 武胜县| 泗洪县| 二连浩特市| 巨野县| 崇仁县| 德惠市| 古浪县| 拉萨市| 资兴市| 盐山县| 西充县| 浦东新区| 哈尔滨市| 讷河市| 石首市| 息烽县| 轮台县| 华安县| 新晃| 焦作市| 阿荣旗| 盐山县| 山西省| 宁津县| 广宁县| 于田县| 根河市| 乌恰县| 辰溪县| 宁强县| 红河县| 普格县| 黄山市| 弥渡县| 西青区| 丘北县| 临武县| 石河子市| 昌黎县| 保康县| 龙岩市| 巴林右旗| 凌源市| 重庆市| 新干县| 临邑县| 剑河县| 达拉特旗| 青铜峡市| 时尚| 余干县| 民丰县| 平安县| 张家港市| 长乐市| 新沂市| 巴彦县| 濉溪县| 呼伦贝尔市| 岳池县| 元朗区| 哈尔滨市| 鄂尔多斯市| 渭源县| 高尔夫| 安阳市| 宿迁市| 民县| 张家港市| 永吉县| 德清县| 武清区| 雅安市| 铜鼓县| 平武县| 临夏市| 郓城县| 乐清市| 奉化市| 微山县| 东山县| 高陵县| 安龙县| 浏阳市| 陇川县| 富裕县| 新邵县| 新闻| 白山市| 洛浦县| 松潘县| 新营市| 焉耆| 龙陵县| 涡阳县| 时尚| 湘阴县| 莱西市| 怀柔区| 革吉县| 梧州市| 苍梧县| 蒙自县| 台北市| 奇台县| 百色市| 彩票| 宜州市| 成都市| 横峰县| 东阿县| 荃湾区| 昌吉市| 孟连| 蒲江县| 桦川县| 琼结县| 腾冲县| 含山县| 合阳县| 独山县| 庆元县| 巴彦淖尔市| 育儿| 宝兴县| 鸡东县| 慈利县| 阿图什市| 蕲春县| 承德县| 高台县| 永吉县| 旅游| 内江市| 阳春市| 深泽县| 霸州市| 冀州市| 贺兰县| 浪卡子县| 城市| 仙游县| 丰都县| 林甸县| 安图县| 阳泉市| 岢岚县| 得荣县| 普定县| 万源市| 澄江县| 商城县| 改则县| 卓资县| 西吉县| 和硕县| 延津县| 浦北县| 丹巴县| 昂仁县| 进贤县| 奇台县| 定安县| 柞水县| 开原市| 台东市| 库车县| 肃南| 子长县| 桐城市| 蒲城县| 兴和县| 波密县| 肇东市| 方城县| 林口县| 宜兴市| 大悟县| 准格尔旗| 三原县| 南康市| 商丘市| 乌兰县| 德令哈市| 海伦市| 贡觉县| 边坝县| 汤阴县| 水富县| 晋宁县| 南澳县| 扎囊县| 房山区| 黄大仙区| 伊川县| 葫芦岛市| 花莲县| 临泽县| 台前县| 玉林市| 邮箱| 永康市| 巨野县| 台江县| 嘉定区| 洪雅县| 屏山县| 定州市| 大洼县| 格尔木市| 胶南市| 琼海市| 靖安县| 汝阳县| 育儿| 元谋县| 资讯 | 临武县| 绥宁县| 竹北市| 五常市| 山阳县| 乡宁县| 靖远县| 蕉岭县| 青海省| 宜宾市| 聊城市| 高雄县| 沂源县| 浦北县| 恩施市| 贵定县| 霍林郭勒市| 霸州市| 无极县| 淅川县| 清涧县| 金乡县| 安吉县| 永定县| 洛阳市| 鸡西市| 海阳市| 凯里市| 永宁县| 侯马市| 沐川县| 北川| 彭水| 盖州市| 安乡县| 屯留县| 宝坻区| 稷山县| 怀来县| 山阳县| 泾源县| 鸡西市| 明星| 商河县| 镇宁| 南靖县| 深圳市| 洛阳市| 松阳县| 东港市| 大冶市| 丰县| 资中县| 巫溪县| 广灵县| 山东省| 扶绥县| 清丰县| 安宁市| 高密市| 八宿县| 科技| 上犹县| 深水埗区| 怀仁县| 淮安市| 淮阳县| 资兴市| 屏山县| 罗城| 龙胜| 庆城县| 辽阳市| 枝江市| 绥滨县| 邹城市| 南充市| 景谷| 华阴市| 竹山县| 织金县| 高尔夫| 平陆县| 米林县| 金湖县| 吕梁市| 昭觉县| 思南县| 东乡县| 安福县| 宁南县| 竹溪县| 察哈| 工布江达县| 睢宁县| 新野县| 南雄市| 黄陵县| 凤庆县| 密山市| 山丹县| 三河市| 城固县| 商洛市| 崇礼县| 西充县| 奉新县| 花垣县| 固阳县| 贵溪市| 格尔木市| 卢湾区| 陇川县| 巴塘县| 运城市| 潞城市| 新泰市| 西昌市| 宝丰县| 大连市| 福州市| 策勒县| 且末县| 凤山市| 怀柔区| 乌海市| 宝坻区| 宿松县| 胶州市| 宜昌市| 红桥区| 墨竹工卡县| 雷山县| 类乌齐县| 南投县| 密山市| 西华县| 瓮安县| 文安县| 肇庆市| 公安县| 金沙县| 桑植县| 平阴县| 宜都市| 三河市| 昂仁县| 灵川县| 冷水江市| 永登县| 南漳县| 清徐县| 长岭县| 邵阳市| 庐江县| 云林县| 平湖市| 张家界市| 木兰县| 江山市| 阿图什市| 武定县| 车致| 酒泉市| 崇文区| 邓州市| 盱眙县| 钦州市| 凤山县| 静海县| 乌鲁木齐市| 顺昌县| 壶关县| 富锦市| 广宁县| 兴隆县| 惠东县| 罗城| 河西区| 上蔡县| 萝北县| 章丘市| 黔南| 锡林浩特市| 新河县| 都匀市| 嘉荫县| 闸北区| 桃园市| 内乡县| 九江市| 湖南省| 泸州市| 南充市| 康保县| 长治县| 独山县| 类乌齐县| 怀来县| 海晏县| 平舆县| 登封市| 上蔡县| 邻水| 焦作市| 石台县| 晋州市| 美姑县| 安徽省| 阳春市| 清徐县| 乌兰察布市| 绥阳县| 滦平县| 徐闻县| 搜索| 石河子市| 如皋市| 霍州市| 武山县| 邓州市| 富平县| 潢川县| 延川县| 师宗县| 新宾| 岑溪市| 新竹县| 道孚县| 长乐市| 涿鹿县| 长乐市| 松潘县| 芷江| 贺州市| 札达县| 瑞丽市| 且末县| 天气| 石泉县| 蒙城县| 固原市| 双峰县| 泌阳县| 庄河市| 竹北市| 临西县| 明溪县| 普兰店市| 安多县| 黑山县| 泾阳县| 永修县| 康平县| 阜阳市| 尖扎县| 拉萨市| 濮阳市| 陆河县| 洪江市| 克东县| 永宁县| 开原市| 静宁县| 定南县| 呼伦贝尔市| 兰考县| 融水| 牙克石市| 冷水江市| 苏尼特右旗| 陇川县| 长岭县| 南京市| 新晃| 扎兰屯市| 谢通门县| 大连市| 宜兴市| 宝鸡市| 揭东县| 乐昌市| 吴旗县| 双城市| 成武县| 龙井市| 丽水市| 综艺| 毕节市| 闵行区| 信阳市| 张家界市| 繁峙县| 余庆县| 通化县| 洛南县| 东阳市| 耒阳市| 吉水县| 昌江| 东阿县| 礼泉县| 静宁县| 永川市| 门头沟区| 温泉县| 习水县| 建昌县| 改则县| 洛川县| 八宿县| 休宁县| 霞浦县| 临清市| 宜州市| 黑河市| 长治市| 革吉县| 京山县| 泸州市| 盘锦市| 和静县| 延吉市| 贵阳市| 军事| 鲜城| 开封县| 家居| 隆化县| 黄山市| 达孜县| 车致| 宝兴县| 乌兰浩特市| 百色市| 林口县| 江安县| 安国市| 枣阳市| 道孚县| 五原县| 乐亭县| 大连市| 平邑县| 靖州| 绥宁县| 如皋市| 五台县| 高淳县| 菏泽市| 长汀县| 晋城| 中宁县| 上高县| 资溪县| 浦城县| 晋宁县| 化德县| 广南县| 固始县| 颍上县| 谢通门县| 普宁市| 南丹县| 文安县| 社旗县| 武山县| 岳阳市| 湾仔区| 西乡县| 玉环县| 中宁县| 凉山| 阳高县| 金川县| 晋中市| 青冈县| 太湖县| 淮南市| 乌兰县| 湘乡市| 新田县| 乐亭县| 诏安县| 洱源县| 文水县| 黄浦区| 诸城市| 岐山县| 遂川县| 壶关县| 祁连县| 房山区| 寿阳县| 芜湖市| 大渡口区| 邹城市| 开远市| 荔浦县| 封丘县| 黄冈市| 海门市| 宜良县| 阳东县| 祁东县| 建瓯市| 太白县| 灵石县| 时尚| 固镇县| 额济纳旗| 观塘区| 红原县| 抚远县| 轮台县| 临泉县| 东安县| 锦州市| 海伦市| 章丘市| 沾化县| 博爱县| 自治县| 丹巴县| 维西| 扶风县| 康保县| 余庆县| 将乐县| 诸城市| 渭源县| 武宁县| 绥阳县| 侯马市| 炎陵县| 安福县| 秭归县| 东兴市| 松溪县| 德钦县| 宝丰县| 神池县| 突泉县| 汕尾市| 江津市| 宣威市| 奎屯市| 运城市| 平潭县| 田东县| 册亨县| 商水县| 阿合奇县| 江陵县| 松阳县| 阳西县| 封开县| 开封县| 阿拉善盟| 雅江县| 凌源市| 泾川县| 宁明县| 梁平县| 新竹市| 拉萨市| 沙洋县| 贡嘎县| 喀喇| 石阡县| 伊通| 汝阳县| 龙江县| 卓尼县| 天柱县| 舟曲县| 上蔡县| 南京市| 青海省| 鹤山市| 怀柔区| 曲麻莱县| 县级市| 九寨沟县| 精河县| 乡城县| 眉山市| 黄梅县| 乌兰县| 永定县| 香港| 宣汉县| 迁安市| 普定县| 杨浦区| 泗阳县| 榆树市| 越西县| 方城县| 华坪县| 陆良县| 汉中市| 江安县| 合肥市| 醴陵市| 剑河县| 佳木斯市| 阿图什市| 秦皇岛市| 旌德县| 宿松县| 嘉黎县| 定结县| 溧水县| 突泉县| 会宁县| 吕梁市| 秭归县| 梁河县| 仲巴县| 额尔古纳市| 南乐县| 麟游县| 称多县| 云和县| 连平县| 衡山县| 遵化市| 孝感市| 渝北区| 永顺县| 乾安县| 乌拉特前旗| 中卫市| 曲沃县| 金华市| 会同县| 化德县| 乐清市| 吉安县| 石门县| 渑池县| 报价| 昌宁县| 洱源县| 宁武县| 策勒县| 沙河市| 兴安县| 凤山市| 昔阳县| 高要市| 洛阳市| 玉门市| 巴南区| 内江市| 潜江市| 越西县| 云和县| 保德县| 贞丰县| 牟定县| 开平市| 沙田区| 金乡县| 海兴县| 卢氏县| 台前县| 弥勒县| 永康市| 汉寿县| 石城县| 航空| 新营市| 大埔区| 盐边县| 乳源| 汉寿县| 泾川县| 济源市| 枣阳市| 高阳县| 汽车| 瓮安县| 凉城县| 江孜县| 南岸区| 莱芜市| 甘洛县| 泸州市| 马边| 遂平县| 宁波市| 华容县| 赤水市| 鲁甸县| 浏阳市| 隆尧县| 富平县| 香港| 扶风县| 五莲县| 南京市| 章丘市| 静宁县| 黄平县| 昆山市| 新宾| 隆子县| 苍溪县| 镶黄旗| 上虞市| 乌兰浩特市| 定结县| 石屏县| 大理市| 康保县| 浑源县| 玛沁县| 泾源县| 浪卡子县| 长顺县| 莱州市| 孟村| 翼城县| 安康市| 镶黄旗| 蒙山县| 尉氏县| 三河市| 定日县| 凌海市| 达孜县| 青神县| 博客| 三都| 英超| 金寨县| 沈阳市| 宜春市| 沙雅县| 墨江| 抚顺市| 上杭县| 永胜县| 民乐县| 得荣县| 涿鹿县| 安多县| 聊城市| 侯马市| 临洮县| 赤峰市| 恩施市| 水富县| 千阳县| 牟定县| 专栏| 贡嘎县| 山西省| 石柱| 诸城市| 沾益县| 衢州市| 清新县| 依兰县| 赫章县| 溧阳市| 禄丰县| 肇东市| 福建省| 镇远县| 新和县| 盐池县| 巴楚县| 萍乡市| 白银市| 黎城县| 嘉善县| 台东市| 莆田市| 虹口区| 通化县| 垦利县| 伊宁县| 延吉市| 深水埗区| 乌海市| 聂拉木县| 静海县| 昆明市| 利津县| 固始县| 永宁县| 玛沁县| 无极县| 德昌县| 乌拉特中旗| 山阳县| 论坛| 全椒县| 霍城县| 那坡县| 沐川县| 武安市| 新宁县| 白银市| 拉萨市| 恩平市| 霍林郭勒市| 华池县| 澄江县| 河曲县| 武城县| 连山| 从江县| 曲靖市| 岑溪市| 通河县| 渑池县| 棋牌| 阿瓦提县| 三明市| 盐池县| 房产| 秭归县| 桐柏县| 濮阳市| 盐边县| 苏州市| 吉隆县| 高安市| 黎平县| 淮南市| 彰化市| 泰来县| 丘北县| 上犹县| 恩平市| 西林县| 开鲁县| 佳木斯市| 互助| 淮南市| 郓城县| 云阳县| 新干县| 灌南县| 清丰县| 钟祥市| 武鸣县| 宁海县| 宜宾县| 北宁市| 康定县| 怀集县| 通许县| 凌源市| 开化县| 兴义市| 比如县| 海安县| 资兴市| 五家渠市| 沙雅县| 兴隆县| 亚东县| 余干县| 驻马店市| 高邮市| 安仁县| 永德县| 织金县| 宜春市| 怀来县| 台中县| 泗水县| 新田县| 锦州市| 大宁县| 邢台县| 菏泽市| 安康市| 客服| 淮安市| 四川省| 尉氏县| 峨眉山市| 屏东市| 安顺市| 锡林郭勒盟| 长顺县| 扎鲁特旗| 灵宝市| 赣州市| 玉龙| 壶关县| 奉新县| 无极县| 务川| 阿拉善左旗| 丰台区| 无为县| 开封市| 灌云县| 青河县| 滕州市| 视频| 桐城市| 进贤县| 庐江县| 葫芦岛市| 和平县| 西安市| 永丰县| 延吉市| 收藏| 白朗县| 呈贡县| 广宁县| 公主岭市| 文水县| 海阳市| SHOW| 斗六市| 伊宁市| 阳江市| 鹤山市| 浦县| 澎湖县| 淄博市| 榆林市| 石渠县| 剑阁县| 阳山县| 铁岭市| 沁源县| 北京市| 岗巴县| 家居| 屯留县| 景德镇市| 齐齐哈尔市| 台州市| 德清县| 兴宁市| 通化县| 昌图县| 乌兰察布市| 墨江| 凤翔县| 娱乐| 泌阳县| 会东县| 清新县| 洛隆县| 嵊州市| 东丽区| 桦川县| 隆回县| 大埔县| 驻马店市| 九龙城区| 开阳县| 富川| 镇沅| 响水县| 马边| 尼勒克县| 定日县| 昭觉县| 额济纳旗| 阿克陶县| 云梦县| 邢台市| 绵阳市| 武乡县| 开鲁县| 太仓市| 株洲市| 类乌齐县| 壶关县| 蒙阴县| 巴林右旗| 肇源县| 修水县| 香河县| 三门峡市| 孝昌县| 盐池县| 曲阳县| 渑池县| 临高县| 如皋市| 洛浦县| 阜阳市| 康乐县| 宣恩县| 山东| 朝阳县| 岚皋县| 正蓝旗| 额济纳旗| 洪泽县| 黑龙江省| 永昌县| 松潘县| 普兰店市| 蒙阴县| 满城县| 廊坊市| 巧家县| 梅河口市| 鄱阳县| 通道| 德化县| 陇川县| 常山县| 沙洋县| 武平县| 诸暨市| 岐山县| 涪陵区| 石首市| 五常市| 治县。| 阿拉尔市| 平利县| 容城县| 衡水市| 永和县| 衡山县| 游戏| 自贡市| 明水县| 开鲁县| 桓台县| 高陵县| 正安县| 襄城县| 六枝特区| 滦南县| 馆陶县| 正宁县| 惠水县| 鹤岗市| 临湘市| 瓦房店市| 天峻县| 交口县| 富平县| 都江堰市| 彰武县| 亚东县| 濮阳市| 镇远县| 德阳市| 余干县| 军事| 嘉峪关市| 鄯善县| 海晏县| 杭锦后旗| 麦盖提县| 西乌珠穆沁旗| 阜新市| 青州市| 玉林市| 宁南县| 临夏市| 静乐县| 称多县| 巴彦县| 清徐县| 兰州市| 南平市| 澄迈县| 丽水市| 土默特左旗| 宾川县| 五寨县| 新密市| 吴堡县| 连云港市| 金秀| 曲阳县| 开江县| 芦溪县| 梁平县| 正安县| 泸州市| 玛曲县| 德阳市| 哈尔滨市| 沂源县| 张家口市| 鸡东县| 龙里县| 成武县| 集安市| 姚安县| 武邑县| 马边| 洛川县| 宣恩县| 新宾| 宾川县| 前郭尔| 临漳县| 宜都市| 铅山县| 大丰市| 漳浦县| 永年县| 宽甸| 天水市| 宜兰县| 琼中| 游戏| 高雄市| 团风县| 微山县| 青浦区| 綦江县| 云浮市| 开封县| 宁城县| 颍上县| 张家界市| 鹰潭市| 汤阴县| 平凉市| 大方县| 资源县| 宝山区| 河曲县| 京山县| 钟山县| 嵩明县| 新巴尔虎右旗| 新丰县| 旅游| 吉木乃县| 南昌县| 浦东新区| 阳信县| 安新县| 高台县| 青川县| 炎陵县| 兰溪市| 灯塔市| 汽车| 共和县| 宽城| 龙陵县| 宝清县| 鹤山市| 定襄县| 临邑县| 北川| 汽车| 遵化市| 蒙城县| 阿勒泰市| 那坡县| 清丰县| 保山市| 庆安县| 长岭县| 黔南| 林州市| 海阳市| 鹤壁市| 黎川县| 宜君县| 登封市| 苗栗市| 蓝山县| 晋宁县| 兴安盟| 黔江区| 云阳县| 南漳县| 阳新县| 旌德县| 玉林市| 克拉玛依市| 元朗区| 金湖县| 惠来县| 乌什县| 原阳县| 惠州市| 正定县| 西昌市| 沙河市| 遂宁市| 崇信县| 鸡泽县| 城固县| 额尔古纳市| 肥乡县| 河曲县| 枣阳市| 黎川县| 淄博市| 开平市| 广宁县| 芒康县| 建阳市| 邓州市| 怀化市| 新化县| 沐川县| 濮阳县| 永德县| 巴南区| 法库县| 澄城县| 大埔县| 敖汉旗| 偏关县| 深泽县| 黑龙江省| 江永县| 平顶山市| 紫云| 邯郸县| 彰武县| 盖州市| 襄汾县| 抚州市| 谢通门县| 珲春市| SHOW| 保靖县| 沂源县| 滨海县| 林西县| 鄂托克旗| 鄂尔多斯市| 宜良县| 宜宾市| 喀喇沁旗| 蓝田县| 鄯善县| 金华市| 丘北县| 孟连| 伊金霍洛旗| 航空| 夏津县| 横峰县| 团风县| 娱乐| 巢湖市| 福清市| 勐海县| 揭阳市| 淄博市| 遂宁市| 高邮市| 宁阳县| 桂平市| 神农架林区| 古蔺县| 成武县| 曲松县| 育儿| 陈巴尔虎旗| 托里县| 旺苍县| 内丘县| 合作市| 鲁山县| 隆子县| 宁化县| 亚东县| 巴南区| 普定县| 宜黄县| 黄平县| 南城县| 高唐县| 无锡市| 宁陕县| 波密县| 盐源县| 集安市| 启东市| 来凤县| 白城市| 石台县| 易门县| 库尔勒市| 洞头县| 尉犁县| 都匀市| 夹江县| 阜平县| 桃源县| 永善县| 若羌县| 浮梁县| 长丰县| 利津县| 四川省| 隆回县| 临颍县| 七台河市| 梅河口市| 徐汇区| 铜鼓县| 读书| 东宁县| 汨罗市| 司法| 时尚| 屯留县| 宾川县| 湾仔区| 湘潭县| 贵定县| 普兰县| 红桥区| 仁寿县| 康保县| 石屏县| 洛浦县| 荣成市| 扬州市| 北川| 贺州市| 湖口县| 灵武市| 仙游县| 淮北市| 靖江市| 昌乐县| 万盛区| 县级市| 长阳| 鹿邑县| 安达市| 富蕴县| 四子王旗| 平凉市| 呈贡县| 城步| 怀来县| 乌拉特前旗| 大埔县| 旬阳县| 石家庄市| 宝鸡市| 花莲市| 安义县| 南汇区| 雷州市| 临洮县| 米泉市| 嘉定区| 阳新县| 门头沟区| 正蓝旗| 黎城县| 额尔古纳市| 仙游县| 兴义市| 泸水县| 甘南县| 益阳市| 蒙自县| 郧西县| 平和县| 桂阳县| 中西区| 尼勒克县| 高淳县| 富蕴县| 铜鼓县| 西和县| 区。| 迁西县| 本溪市| 青田县| 长海县| 巴林右旗| 阿拉尔市| 江川县| 翁牛特旗| 台中市| 睢宁县| 宁德市| 阜城县| 高雄县| 肃宁县| 平乐县| 江陵县| 邮箱| 福鼎市| 邛崃市| 汽车| 礼泉县| 奉贤区| 东乌珠穆沁旗| 邛崃市| 会泽县| 调兵山市| 通渭县| 津南区| 凤山县| 张家界市| 榆社县| 阳原县| 静乐县| 大邑县| 海城市| 水富县| 牟定县| 青岛市| 宽城| 巧家县| 珲春市| 文成县| 平安县| 中牟县| 上林县| 富源县| 恩施市| 筠连县| 天津市| 尼木县| 鞍山市| 徐闻县| 贡觉县| 共和县| 天柱县| 揭西县| 长宁县| 马关县| 卓资县| 绥中县| 鄂托克旗| 新民市| 天台县| 哈巴河县| 九龙坡区| 吴堡县| 琼结县| 伊通| 丘北县| 简阳市| 永昌县| 正安县| 南川市| 濮阳市| 册亨县| 蛟河市| 璧山县| 仪陇县| 卢湾区| 黄浦区| 南丹县| 海口市| 宾川县| 黔江区| 灵川县| 三门峡市| 响水县| 新泰市| 宁波市| 桐乡市| 扶风县| 阳江市| 和平县| 香格里拉县| 常熟市| 利辛县| 台南县| 砀山县| 松滋市| 龙南县| 京山县| 团风县| 邢台县| 团风县| 博白县| 固阳县| 雅江县| 山丹县| 芦山县| 婺源县| 沈阳市| 黄浦区| 磐石市| 佛坪县| 远安县| 邯郸市| 灵璧县| 诸城市| 通江县| 保定市| 临江市| 林口县| 余干县| 辉南县| 岗巴县| 灯塔市| 增城市| 寿光市| 独山县| 涞源县| 新民市| 淮安市| 铁力市| 康乐县| 江山市| 怀来县| 天门市| 思茅市| 宣武区| 文山县| 白银市| 奎屯市| 金湖县| 叙永县| 宜阳县| 乳山市| 康定县| 盖州市| 临桂县| 辽宁省| 平湖市| 崇左市| 塘沽区| 定远县| 湘潭市| 上虞市| 万全县| 扬中市| 潼关县| 民县| 郓城县| 巴马| 平邑县| 吉安县| 三穗县| 浠水县| 浪卡子县| 庆云县| 桃源县| 麟游县| 三江| 镇雄县| 大悟县| 大宁县| 济南市| 兴安县| 广汉市| 化德县| 文登市| 怀来县| 广饶县| 建湖县| 呼图壁县| 龙里县| 万州区| 湘乡市| 化州市| 巩留县| 铅山县| 剑阁县| 长武县| 丹棱县| 合江县| 澄迈县| 咸阳市| 五大连池市| 天水市| 尼勒克县| 石家庄市| 璧山县| 广灵县| 疏勒县| 怀安县| 庐江县| 申扎县| 桂平市| 连平县| 玛沁县| 黄平县| 甘洛县| 抚松县| 泸溪县| 科技| 泰顺县| 鄱阳县| 阜新| 中阳县| 黄石市| 万全县| 东乌珠穆沁旗| 禹城市| 平原县| 新乐市| 太仆寺旗| 林口县| 高碑店市| 西安市| 温州市| 东平县| 田阳县| 葵青区| 昆明市| 井陉县| 德安县| 云霄县| 新民市| 伊春市| 区。| 临沧市| 察隅县| 临夏市| 遂平县| 阿克| 太保市| 池州市| 赫章县| 荆州市| 岑溪市| 稻城县| 石城县| 讷河市| 博客| 威远县| 庄河市| 农安县| 原阳县| 贵定县| 西峡县| 广宁县| 华池县| 惠东县| 二手房| 文水县| 永顺县| 监利县| 佛山市| 临朐县| 调兵山市| 宣化县| 宁武县| 衡水市| 莱阳市| 北票市| 寻甸| 垣曲县| 渝北区| 泽州县| 乌拉特后旗| 淮阳县| 宁明县| 皮山县| 元氏县| 石台县| 裕民县| 安多县| 衡水市| 札达县| 阜城县| 郓城县| 临桂县| 北碚区| 白城市| 澳门| 山阴县| 鹿邑县| 赤壁市| 班玛县| 清新县| 高平市| 汉源县| 稷山县| 綦江县| 乌海市| 大石桥市| 建瓯市| 昆山市| 泰顺县| 商洛市| 东莞市| 湘潭市| 鄂托克前旗| 屏山县| 三江| 云霄县| 台北县| 奉新县| 湖南省| 南和县| 抚远县| 呈贡县| 安达市| 武山县| 扎鲁特旗| 新竹县| 修文县| 于都县| 普洱| 广宗县| 沙河市| 恩施市| 阿拉尔市| 屏山县| 无为县| 浮山县| 屯昌县| 祁东县| 泽库县| 马关县| 潮安县| 汉川市| 古交市| 南阳市| 寿光市| 门源| 璧山县| 丹阳市| 宣城市| 拉孜县| 丰台区| 赣州市| 会宁县| 剑川县| 石棉县| 安溪县| 五原县| 吕梁市| 顺平县| 织金县| 龙陵县| 武清区| 通山县| 贵州省| 榆树市| 子长县| 卢氏县| 中牟县| 临澧县| 六安市| 那坡县| 吐鲁番市| 鄂托克旗| 托里县| 金阳县| 南宫市| 宜兰市| 普安县| 宁海县| 新郑市| 太原市| 新乡县| 射阳县| 远安县| 广水市| 沂源县| 沅陵县| 枝江市| 德惠市| 镇巴县| 金乡县| 永丰县| 澄迈县| 营口市| 武山县| 古丈县| 宜黄县| 封开县| 金寨县| 昌乐县| 宽甸| 年辖:市辖区| 铁岭市| 新安县| 唐河县| 麦盖提县| 奉新县| 巢湖市| 三河市| 榆中县| 屯留县| 西城区| 黄陵县| 玛纳斯县| 宜阳县| 崇礼县| 临泉县| 南和县| 吴旗县| 谷城县| 咸丰县| 明水县| 丹阳市| 渑池县| 宜都市| 乌兰察布市| 时尚| 新晃| 德安县| 桑日县| 葵青区| 肇源县| 讷河市| 灵山县| 合水县| 安吉县| 吴桥县| 德清县| 昔阳县| 青川县| 汉源县| 通许县| 五原县| 南开区| 金昌市| 修武县| 叶城县| 青阳县| 甘孜县| 谢通门县| 娱乐| 南安市| 仪征市| 浦东新区| 广汉市| 乐清市| 星座| 张家川| 北海市| 棋牌| 台州市| 忻城县| 大余县| 呼图壁县| 临潭县| 梁河县| 三河市| 宜宾县| 鄂托克旗| 原平市| 嵊泗县| 上杭县| 台安县| 若尔盖县| 额尔古纳市| 南宁市| 无极县| 古丈县| 紫金县| 海南省| 石楼县| 淄博市| 广西| 怀柔区| 淮滨县| 喀什市| 马公市| 肥西县| 贵定县| 邛崃市| 清流县| 霞浦县| 广丰县| 茂名市| 分宜县| 长白| 岳阳县| 庆元县| 遂昌县| 霍山县| 潞城市| 昌图县| 海原县| 斗六市| 乐业县| 宁夏| 怀仁县| 阿克苏市| 启东市| 通榆县| 元阳县| 申扎县| 青岛市| 平凉市| 察隅县| 云阳县| 巨鹿县| 涟源市| 灌云县| 黑水县| 毕节市| 永吉县| 钟山县| 石家庄市| 蚌埠市| 满城县| 大安市| 阳信县| 甘南县| 富裕县| 合水县| 岳西县| 休宁县| 清远市| 深州市| 织金县| 贡嘎县| 莒南县| 民县| 曲阳县| 黄骅市| 汝州市| 清水河县| 安丘市| 高台县| 依安县| 连云港市| 上高县| 五家渠市| 微山县| 桐庐县| 梧州市| 吉木乃县| 宜兴市| 丹巴县| 东兴市| 炉霍县| 鄂托克旗| 潼南县| 石门县| 新乡市| 辉县市| 北流市| 乌鲁木齐县| 安远县| 吴川市| 宁国市| 高要市| 景德镇市| 江永县| 嘉兴市| 根河市| 新民市| 腾冲县| 都兰县| 措美县| 松潘县| 拜泉县| 江川县| 西平县| 赫章县| 巧家县| 铜陵市| 洛阳市| 石河子市| 临洮县| 汾阳市| 钟祥市| 陇南市| 仙居县| 嵩明县| 宜宾县| 台江县| 墨江| 肇东市| 盐山县| 扶绥县| 闽侯县| 鞍山市| 隆化县| 郯城县| 宜昌市| 将乐县| 博湖县| 辉县市| 洪湖市| 博白县| 宾阳县| 玛多县| 琼中| 尉犁县| 夏津县| 宿迁市| 荔波县| 新竹市| 始兴县| 堆龙德庆县| 舟曲县| 霍山县| 盱眙县| 泸水县| 买车| 吴桥县| 禹城市| 贵州省| 武隆县| 邹城市| 西林县| 宁国市| 深圳市| 临泉县| 衡阳市| 楚雄市| 佳木斯市| 汕头市| 巴彦县| 金华市| 海南省| 伊通| 蒙山县| 遂溪县| 碌曲县| 皋兰县| 黔西| 衡东县| 辽源市| 哈巴河县| 临洮县| 东光县| 连城县| 抚宁县| 台中市| 张家界市| 灌云县| 泸西县| 定西市| 容城县| 宝清县| 历史| 威远县| 洞口县| 常德市| 汾西县| 精河县| 汉阴县| 赣州市| 乌鲁木齐市| 蓬溪县| 土默特右旗| 邮箱| 额敏县| 三门县| 洪雅县| 芮城县| 色达县| 清河县| 正安县| 舟山市| 如皋市| 榕江县| 灵璧县| 稷山县| 新巴尔虎右旗| 康乐县| 尼玛县| 高州市| 马鞍山市| 抚松县| 天全县| 南木林县| 汝城县| 改则县| 长泰县| 乌苏市| 苍山县| 桃园市| 佛冈县| 临西县| 承德市| 讷河市| 灵寿县| 荆州市| 大荔县| 沧州市| 偏关县| 苏尼特左旗| 宿迁市| 驻马店市| 株洲市| 澄城县| 道孚县| 和政县| 阜阳市| 万山特区| 二手房| 会理县| 五原县| 筠连县| 东莞市| 武穴市| 岐山县| 双城市| 蕲春县| 凤凰县| 苍南县| 广昌县| 贞丰县| 乌拉特后旗| 黄山市| 罗山县| 巍山| 红原县| 南丹县| 吉木萨尔县| 清新县| 黄石市| 南部县| 浙江省| 麻城市| 藁城市| 扎囊县| 普兰县| 牡丹江市| 鄂伦春自治旗| 临夏市| 马边| 山东| 灵川县| 苏尼特右旗| 水富县| 修水县| 阿鲁科尔沁旗| 承德市| 铜鼓县| 南通市| 张家港市| 临桂县| 毕节市| 青神县| 乐陵市| 阜宁县| 周宁县| 裕民县| 常宁市| 桃江县| 丰原市| 怀安县| 区。| 浠水县| 岳池县| 油尖旺区| 儋州市| 海晏县| 敖汉旗| 蒙阴县| 沙湾县| 新郑市| 河曲县| 阜南县| 和政县| 固安县| 玛沁县| 工布江达县| 区。| 深泽县| 莎车县| 定远县| 中宁县| 新津县| 烟台市| 长沙市| 凤阳县| 都安| 丰都县| 遂平县| 旬阳县| 三门峡市| 海丰县| 永城市| 黄山市| 怀化市| 兰西县| 普洱| 沁阳市| 拉孜县| 盖州市| 布尔津县| 广汉市| 玛沁县| 沁水县| 合作市| 浦城县| 宁都县| 宜兰县| 洛南县| 渭源县| 泊头市| 仪陇县| 恩施市| 彰武县| 方山县| 阳谷县| 云安县| 上虞市| 鹿泉市| 盈江县| 黑龙江省| 江门市| 扎赉特旗| 内丘县| 枣阳市| 南澳县| 静宁县| 宁化县| 兰州市| 亳州市| 青神县| 滕州市| 固安县| 安远县| 盱眙县| 蓝田县| 晋州市| 贺州市| 博湖县| 卓尼县| 祥云县| 水富县| 肃北| 乐东| 眉山市| 嘉祥县| 肃宁县| 曲周县| 莎车县| 霸州市| 房山区| 沽源县| 青浦区| 辽宁省| 土默特左旗| 荣成市| 临沂市| 乾安县| 莲花县| 龙游县| 深圳市| 林周县| 玉溪市| 曲松县| 和林格尔县| 湘潭县| 桦南县| 石阡县| 富源县| 泰和县| 拉萨市| 六安市| 贞丰县| 阳春市| 江源县| 黄石市| 汶川县| 赤水市| 十堰市| 郯城县| 寿阳县| 五大连池市| 陵川县| 山东省| 东乡族自治县| 灵武市| 资溪县| 浦县| 宜兰市| 广昌县| 景谷| 安顺市| 托克逊县| 乃东县| 嘉定区| 万盛区| 罗源县| 余姚市| 且末县| 武乡县| 哈密市| 缙云县| 丰宁| 鄂尔多斯市| 体育| 卓资县| 大丰市| 淮安市| 师宗县| 邮箱| 勃利县| 安化县| 甘孜县| 华容县| 壤塘县| 慈利县| 武功县| 昂仁县| 五台县| 霍山县| 富源县| 福建省| 萨嘎县| 万全县| 峨眉山市| 黄冈市| 钟祥市| 黄龙县| 龙里县| 专栏| 西青区| 沿河| 灌阳县| 拉孜县| 达尔| 靖远县| 阳朔县| 绥中县| 瑞金市| 吉隆县| 南郑县| 禹城市| 宁化县| 社会| 松潘县| 上蔡县| 讷河市| 乌兰察布市| 龙山县| 年辖:市辖区| 漳州市| 锦屏县| 鹤岗市| 柳江县| 虎林市| 繁峙县| 海晏县| 绥芬河市| 宜川县| 太湖县| 满城县| 千阳县| 柘城县| 宾阳县| 海伦市| 定州市| 登封市| 民乐县| 金阳县| 岳池县| 高州市| 铁岭县| 德清县| 义乌市| 陆良县| 洪泽县| 孝感市| 佳木斯市| 孝感市| 文昌市| 金坛市| 怀来县| 芦溪县| 交口县| 大冶市| 洛浦县| 武威市| 岫岩| 崇文区| 三穗县| 富宁县| 揭西县| 万宁市| 南城县| 安丘市| 元氏县| 普定县| 辰溪县| 喀喇| 互助| 库车县| 安福县| 敖汉旗| 宝兴县| 禄劝| 关岭| 丹阳市| 无为县| 古丈县| 沙湾县| 收藏| 吴桥县| 康定县| 靖边县| 天祝| 渝北区| 黔江区| 塔城市| 鄢陵县| 嘉善县| 吉林市| 衡东县| 老河口市| 安平县| 慈溪市| 康乐县| 千阳县| 凤山市| 庄河市| 衡山县| 玛多县| 兰西县| 澳门| 阳原县| 永福县| 海淀区| 宁明县| 饶阳县| 德江县| 大邑县| 天峻县| 阿坝县| 侯马市| 大冶市| 伊吾县| 遂平县| 砀山县| 蓝山县| 深泽县| 申扎县| 曲麻莱县| 滦南县| 雷波县| 锦州市| 云和县| 通海县| 富锦市| 永定县| 阿克苏市| 金塔县| 张家口市| 湾仔区| 惠州市| 旬阳县| 改则县| 扶绥县| 巴塘县| 绿春县| 兴安县| 万安县| 确山县| 鄂温| 林口县| 阿图什市| 靖江市| 柘城县| 汉寿县| 邯郸市| 德惠市| 平乐县| 长白| 灌云县| 环江| 周至县| 武汉市| 宝丰县| 安康市| 越西县| 汽车| 镇远县| 东平县| 井陉县| 蛟河市| 淮滨县| 蓝田县| 大渡口区| 卢湾区| 尼木县| 澳门| 巧家县| 页游| 玉树县| 吉安市| 卢湾区| 西藏| 肥乡县| 盘山县| 贵州省| 博野县| 神池县| 阜阳市| 三原县| 尉氏县| 双城市| 临颍县| 嘉义县| 柳江县| 萨迦县| 济阳县| 祁东县| 霞浦县| 卢湾区| 凤台县| 安康市| 贞丰县| 东乡县| 溆浦县| 子洲县| 澄江县| 益阳市| 罗山县| 和静县| 苏尼特右旗| 汾阳市| 叙永县| 临夏市| 晴隆县| 枝江市| 南郑县| 宁安市| 西充县| 秀山| 轮台县| 黑山县| 松桃| 开阳县| 澜沧| 游戏| 积石山| 清徐县| 廉江市| 边坝县| 波密县| 西城区| 增城市| 兴城市| 蒙自县| 平阴县| 景德镇市| 卓尼县| 博湖县| 东乡县| 金华市| 梓潼县| 桦南县| 泌阳县| 名山县| 望城县| 裕民县| 襄汾县| 公主岭市| 高密市| 宜城市| 雅江县| 乐东| 大埔县| 尤溪县| 土默特右旗| 孟村| 饶阳县| 桦川县| 庆安县| 宝坻区| 夏邑县| 堆龙德庆县| 柳州市| 微博| 浦县| 泾源县| 浮山县| 杂多县| 奉节县| 蕉岭县| 怀安县| 公主岭市| 满洲里市| 韶关市| 元朗区| 望奎县| 仙桃市| 海兴县| 黎平县| 青神县| 新昌县| 凤冈县| 永济市| 蚌埠市| 呼和浩特市| 台山市| 泉州市| 大渡口区| 天祝| 龙里县| 竹北市| 东乡| 罗甸县| 三亚市| 蕉岭县| 凌源市| 明水县| 金湖县| 聊城市| 吉林省| 佛坪县| 莲花县| 石嘴山市| 宁明县| 卓资县| 若尔盖县| 定安县| 肇州县| 克拉玛依市| 克什克腾旗| 宝坻区| 乌兰县| 扶余县| 顺平县| 淳安县| 石门县| 贡嘎县| 济南市| 芦山县| 丹凤县| 马龙县| 西贡区| 宁强县| 海宁市| 吉林市| 明溪县| 遂溪县| 海林市| 肥西县| 和林格尔县| 德州市| 庆安县| 临武县| 宁武县| 乌恰县| 平乐县| 城口县| 长葛市| 夏河县| 当雄县| 兴文县| 德昌县| 右玉县| 吐鲁番市| 云霄县| 眉山市| 阳东县| 玉环县| 荥经县| 明光市| 金川县| 清水河县| 衡水市| 页游| 肇庆市| 海阳市| 遂溪县| 湘潭市| 本溪市| 张家港市| 大洼县| 外汇| 夏河县| 外汇| 连江县| 山丹县| 大新县| 嘉峪关市| 永济市| 宣城市| 福清市| 平罗县| 洪泽县| 丹东市| 日土县| 沙雅县| 鹤山市| 万荣县| 黑龙江省| 香格里拉县| 津南区| 定陶县| 汉中市| 雅安市| 石河子市| 泽州县| 凌源市| 商洛市| 崇左市| 潮安县| 吴桥县| 龙南县| 西青区| 吴堡县| 深泽县| 佳木斯市| 普洱| 张家口市| 五河县| 深泽县| 英超| 区。| 保德县| 盱眙县| 安国市| 曲阜市| 阜新| 邹城市| 滦南县| 马公市| 时尚| 桓台县| 桐城市| 石林| 兴安盟| 葫芦岛市| 浮梁县| 新建县| 肇州县| 鹤峰县| 新民市| 宾川县| 延寿县| 太白县| 封开县| 金寨县| 隆化县| 松溪县| 夏河县| 铁岭市| 澜沧| 内乡县| 安塞县| 灯塔市| 化德县| 古浪县| 鄂伦春自治旗| 饶平县| 建阳市| 库尔勒市| 永康市| 屯留县| 湟中县| 麟游县| 兴隆县| 越西县| 扎兰屯市| 文水县| 长子县| 定南县| 呼玛县| 庆安县| 吉安市| 清水县| 鹿泉市| 新余市| 古丈县| 永城市| 临高县| 台北市| 家居| 林西县| 兴义市| 秦安县| 大关县| 全南县| 内黄县| 富裕县| 临邑县| 凌海市| 社会| 三河市| 江口县| 南昌市| 南江县| 巴青县| 富阳市| 德昌县| 山东省| 卢氏县| 密山市| 米易县| 汕头市| 江门市| 晴隆县| 溧水县| 徐汇区| 义乌市| 高要市| 宜君县| 余江县| 罗源县| 灵宝市| 丘北县| 上饶县| 民乐县| 图们市| 泰和县| 满城县| 宾川县| 集安市| 南充市| 苍梧县| 瑞金市| 鸡泽县| 泾阳县| 金门县| 喜德县| 海兴县| 定日县| 聂荣县| 邢台市| 溧水县| 洮南市| 新龙县| 广昌县| 临安市| 南充市| 丹凤县| 印江| 海南省| 上林县| 阆中市| 汉源县| 高雄市| 和林格尔县| 无极县| 元江| 乌苏市| 鄂伦春自治旗| 松桃| 红安县| 海丰县| 勃利县| 土默特右旗| 璧山县| 堆龙德庆县| 舞阳县| 大足县| 汉沽区| 无棣县| 红河县| 昌平区| 胶州市| 益阳市| 太仓市| 鹤峰县| 增城市| 汝州市| 淮安市| 平遥县| 南和县| 南和县| 沭阳县| 苏尼特左旗| 汉中市| 怀来县| 南宁市| 靖西县| 卓尼县| 四平市| 五大连池市| 上杭县| 曲靖市| 凤冈县| 云安县| 德惠市| 崇左市| 蒲江县| 得荣县| 名山县| 大同市| 交城县| 阳东县| 赫章县| 宜丰县| 武山县| 如东县| 商河县| 杨浦区| 邯郸县| 万载县| 绩溪县| 威信县| 保德县| 韶关市| 景宁| 临洮县| 湘阴县| 巴楚县| 铜川市| 凤庆县| 赫章县| 莒南县| 柘城县| 衡山县| 星座| 吉木萨尔县| 色达县| 汝城县| 沙坪坝区| 景德镇市| 苗栗市| 桂东县| 嘉祥县| 旬阳县| 台山市| 扬州市| 通渭县| 两当县| 定远县| 三原县| 南和县| 如东县| 新乐市| 宁德市| 宁陕县| 阿克陶县| 台江县| 东港市| 澄江县| 内丘县| 惠东县| 淅川县| 孝义市| 湾仔区| 上栗县| 叙永县| 梧州市| 沙坪坝区| 会理县| 蒙阴县| 望奎县| 德令哈市| 固镇县| 胶州市| 大城县| 施秉县| 诸暨市| 通化市| 九龙县| 云阳县| 南丹县| 乐至县| 蓝山县| 监利县| 淳化县| 阿拉善左旗| 临武县| 来安县| 崇义县| 运城市| 旬阳县| 麟游县| 宜川县| 彰化县| 阳泉市| 阿坝县| 张家界市| 临颍县| 阿坝| 朔州市| 喜德县| 三原县| 合作市| 酉阳| 岳阳县| 辛集市| 水富县| 万山特区| 修水县| 固原市| 商南县| 津市市| 桦甸市| 咸阳市| 桂平市| 获嘉县| 绥滨县| 龙胜| 四平市| 孟村| 海南省| 甘南县| 肇州县| 新余市| 洛扎县| 平和县| 齐齐哈尔市| 荣昌县| 资兴市| 吴堡县| 宜城市| 海宁市| 如东县| 宾阳县| 凤庆县| 屏东市| 志丹县| 梁山县| 镇原县| 马关县| 新竹县| 兴宁市| 张家口市| 湖口县| 弥勒县| 衡阳县| 台中市| 开阳县| 安阳市| 筠连县| 开江县| 乃东县| 迭部县| 吴江市| 绥芬河市| 盐亭县| 延津县| 武山县| 郯城县| 咸宁市| 乳山市| 衢州市| 嘉黎县| 沈阳市| 洞头县| 来凤县| 沂源县| 清原| 普安县| 云和县| 民丰县| 察哈| 福鼎市| 勃利县| 汾西县| 台东县| 剑阁县| 方城县| 靖宇县| 田阳县| 平凉市| 蒙自县| 龙泉市| 乌拉特中旗| 玛多县| 罗城| 门头沟区| 浙江省| 大邑县| 吉木萨尔县| 高邮市| 左云县| 特克斯县| 集安市| 新巴尔虎右旗| 永春县| 抚松县| 南溪县| 茶陵县| 怀集县| 广昌县| 巢湖市| 石林| 开原市| 新和县| 荆州市| 师宗县| 陈巴尔虎旗| 城固县| 阳高县| 合川市| 江油市| 宁武县| 商都县| 武强县| 达孜县| 武乡县| 富裕县| 邵阳县| 孝义市| 石台县| 平定县| 南投县| 沿河| 盖州市| 方山县| 富民县| 水城县| 南江县| 兴宁市| 鄂州市| 宿州市| 浠水县| 武鸣县| 任丘市| 郎溪县| 调兵山市| 南丹县| 朝阳市| 邹平县| 河津市| 嘉定区| 南靖县| 元阳县| 宁阳县| 读书| 甘德县| 梅河口市| 北票市| 华阴市| 从江县| 云南省| 长顺县| 曲阳县| 石首市| 普格县| 鄄城县| 多伦县| 大同市| 拉萨市| 蕲春县| 仲巴县| 泰和县| 延安市| 辛集市| 包头市| 石河子市| 长宁县| 乐陵市| 正镶白旗| 潞西市| 开原市| 潼南县| 温泉县| 武威市| 象山县| 襄垣县| 阿拉善左旗| 天水市| 崇仁县| 温宿县| 繁峙县| 乐昌市| 桃园县| 南安市| 龙南县| 逊克县| 青海省| 汝城县| 花垣县| 东丰县| 峡江县| 微博| 北安市| 扎赉特旗| 延津县| 邵阳市| 奉贤区| 麟游县| 三亚市| 河曲县| 翁牛特旗| 清原| 定日县| 乡宁县| 洛浦县| 保定市| 酒泉市| 雷波县| 图木舒克市| 通渭县| 云梦县| 孙吴县| 房产| 清苑县| 焉耆| 万宁市| 贡觉县| 民县| 夏河县| 伽师县| 贞丰县| 朝阳区| 长治县| 沾益县| 甘谷县| 潼关县| 遂宁市| 东兰县| 比如县| 城口县| 伊春市| 正定县| 延寿县| 淳安县| 石泉县| 合肥市| 潍坊市| 凤城市| 康马县| 新昌县| 阿合奇县| 长武县| 油尖旺区| 成武县| 建水县| 泾川县| 大新县| 杨浦区| 仙居县| 合江县| 晋江市| 小金县| 土默特右旗| 英德市| 洞头县| 怀柔区| 桦南县| 四川省| 双桥区| 清河县| 莱芜市| 安丘市| 永胜县| 咸阳市| 突泉县| 朝阳区| 奈曼旗| 东海县| 淳化县| 庆元县| 瑞安市| 桃园县| 侯马市| 灵宝市| 龙泉市| 二手房| 胶南市| 黑河市| 姜堰市| 若羌县| 乃东县| 石首市| 哈尔滨市| 伊春市| 栖霞市| 盐边县| 天台县| 威宁| 漯河市| 邵东县| 镇江市| 襄垣县| 三穗县| 海阳市| 扬中市| 互助| 黄梅县| 东丽区| 习水县| 连山| 中方县| 浦江县| 大荔县| 电白县| 陵川县| 肥西县| 罗山县|